Wartungsset Brühgruppe E61 und Kessel
KTS
Lagerbestand:
57
Produktnummer:
KTS280621
EAN:
4251714741857
Hersteller:
KTS
Beschreibung
Produktinformationen "Wartungsset Brühgruppe E61 und Kessel"
Mit diesem Dichtungssatz erhalten Sie Ersatzteile, welche beim Revidieren einer E61 Brüheinheit + Kessel benötigt werden.
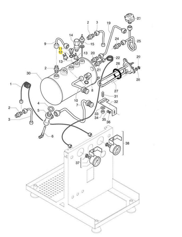
Der Dichtungssatz besteht aus folgenden Teilen:
- Position 6 = Bezzera O-Ring Viton 0128 Glocke, Art. Nr. 1186591
- Position 10 = Faema E61 Ventil Gruppe E 61 oben / u.a., Art. Nr. C219900424
- Position 19 = Faema Nockenwelle für Brüheinheit E61 / u.a., Art. Nr. C219900425
- Position 22 = Faema E61 U-Scheibe Achse Gruppe E61 15,5x7,5x4, Art. Nr. C219900426
- Position 30 = Faema E61 Ventil Gruppe E61 mitte / u.a., Art. Nr. C219903081
- Position 35 = Faema E61 Ventil Gruppe E61 unten / u.a., Art. Nr. C219900430
- Position 38 = Faema E61 Dichtung Brüheinheit E61 unten 26x21x2mm, Art. Nr. C469900783
- Position 40 = Faema E61 Sprühverteiler E61 Brüheinheit / u.a, Art. Nr. 1501561
- Position 41 = ECM Duschsieb, Art. Nr. C519900103
- Position 42 = ECM Gruppendichtung Höhe=8,0mm, Art. Nr. C449900229
- Position Bild 2 - 11 = Rocket Espresso Antivakuumventil / / Rocket usw., Art. Nr. 1523538
- Position Bild 2 - 12 = ECM Flachdichtung Kupfer Antivakuumventil, Art. Nr. 1186619
Hier ist zu viel oder zu wenig dabei?
Erstellen Sie sich Ihr eigenes Set:
Faema E61 Dichtungssatz E61 Brüheinheit Haushalt,Hersteller
KTS
Hersteller:
KaffeeTechnik Seubert GmbH
Dr.-Johanna-Stahl-Str. 17
97084 Würzburg
info@kaffeetechnik-seubert.de
https://www.kaffeetechnik-seubert.de
Bewertungen 0
Anmelden
Keine Bewertungen gefunden. Teilen Sie Ihre Erfahrungen mit anderen.
Hersteller:
KaffeeTechnik Seubert GmbH
Dr.-Johanna-Stahl-Str. 17
97084 Würzburg
info@kaffeetechnik-seubert.de
https://www.kaffeetechnik-seubert.de